Sign In | Join Free | My portofva.com
China CENO Electronics Technology Co.,Ltd logo
CENO Electronics Technology Co.,Ltd
We create, We design, We build
Verified Supplier

7 Years

Home > Industrial Slip Ring >

High / Low Temperature Industrial Slip Ring Inner Bore 55mm Working Height 55000ft

CENO Electronics Technology Co.,Ltd
Trust Seal
Verified Supplier
Credit Check
Supplier Assessment
Contact Now

High / Low Temperature Industrial Slip Ring Inner Bore 55mm Working Height 55000ft

Brand Name : CENO

Model Number : ECN055-04P1-26S-JZ

Certification : CE,RoHS,UL,ISO9001

Place of Origin : China

MOQ : 1pcs

Price : Negotiable

Payment Terms : T/T,Paypal,Western Union, L/C

Supply Ability : 10000pcs month

Delivery Time : Off the shelf

Packaging Details : Carton

Circuit number & Current : 4 circuits*5A, 26 circuits*signal

Voltage : 32 VAC

Protection grade : IP54

Working speed : 0~50rpm

Working temperature : -55℃~+70℃

Contact material : Precious metal

Housing material : Aluminum alloy sandblasting oxide white

Installation way : Rotor end fixed on the main shaft

Contact Now

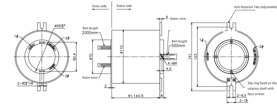
High/low temperature slip rings -55℃~70℃ inner bore 55mm working height 55000ft

ECN055-04P1-26S-JZ is a typical High/Low Temperature Slip Ring in CENO company, we design the professional temperature measuring slip ring according the requirement of industrial automation applications. Its function includes signal temperature measurement and Thermal resistance temperature measurement.The slip ring could be designed according to customer’s requirement, to integrate other current and signal circuit with stable performance and reliable temperature measuring. It widely successfully be used in many automatic field, meanwhile gets food feedback from users.

Specification

ECN055-04P1-26S-JZ

Current & circuits 4 circuits*5A, 26 circuits*signal
Voltage 32 VAC
Dielectric strength ≥ 500VAC@50Hz
Insulation resistance 300MQ@500VDC
Contact resistance fluctuation ≤70mΩ (50rpm)
Working speed 0~50rpm
Contact material Precious metal
Housing material Aluminum alloy sandblasting oxide white
Installation way Rotor end fixed on the main shaft
Lead wire length

Rotor : 2000mm

Stator : 500mm

Lead wire size

Single core shielded wire (AFSP- 250-0.35mm2)

8 core twisted pair shield wire (0.2mm2)

Working height 55000ft
Operation temperature -55℃~+70℃
Working humidity 95+4%
IP Protection grade IP 54
Inner bore Ø55mm

Features

• Operate at altitudes of 55000ft and temperature low to -55℃

Transmit signal and power together

Can combined with many signals such as thermocouple

Applications

Test equipment

High speed railway

High speed rotation table

Industrial automatic control

Optional

Contact material

Circuit number &Current rating

Working speed

Connector type

IP protection grade

Outline drawing

High / Low Temperature Industrial Slip Ring Inner Bore 55mm Working Height 55000ft

Our Service

1. Reply inquiry in 24 hours.

2. Please kindly inform us which items you are interested & the reasonable price will be provided you upon receipt of your new inquiry ASAP.

3. Answer your question detailed.

4. Solved the problem with you during using our products.

5. Samples will be offered to you for our future cooperation.

FAQ

1. What do we do?

We focus on developing, designing, manufacturing high quality sliprings, and offer various solutions for rotating systems.

2. How long have we been in the business?

CENO established slip rings business since 2009. We have thousands of customers accepted our products or services.

3. What is a slip ring?

A slip ring is an electromechanical device that allows the transmission of power and electrical signals from a stationary to a rotating structure. A slip ring can be used in any electromechanical system that requires rotation while transmitting power or signals. It can improve mechanical performance, simplify system operation and eliminate damage-prone wires dangling from movable joints.

4. How do I choose a slip ring?

Proper selection of a slip ring solution requires details about your application’s operating parameters including total circuits, voltage and amps per circuit, operating speed, and mounting type. A good place to start your search is with our standard slip rings. If you are confident that a custom / modified solution is most likely required or need assistance in your selection, contact us to Get Started.

5. Do you offer custom slip rings?

Yes, if you are confident that a custom / modified solution is most likely required or need assistance in your selection, contact us to Get Started. Our engineers will come up with perfect solution for your needs.

Why with CENO

CENO is one technologically company in slip ring field who engages research and development,manufacturing and sales.We have advanced equipment and high precision test instruments to ensure products quality and reliable performance.Facility area covers 3000 square meters and located in Shenzhen China.

Certification

ISO9001,CE,RoHS,UL,Explosion-proof

CENO Advantage

Member in engineering team have more than 10 years experience in slip ring's field.Operators work on critical procedure are all qualified by internal training.

Service CENO provides

24 hours,7days consultant service.

Mass and customized production.

Solution offerring for 360° rotation system.

Welcome to consult us with your requests for any 360° rotation system.We will provide one stop service to you timely respond your inquiries.


Product Tags:

Aluminum alloy Industrial Slip Ring

      

55mm Industrial Slip Ring

      

55000ft Industrial Slip Ring

      
China High / Low Temperature Industrial Slip Ring Inner Bore 55mm Working Height 55000ft wholesale

High / Low Temperature Industrial Slip Ring Inner Bore 55mm Working Height 55000ft Images

Inquiry Cart 0
Send your message to this supplier
 
*From:
*To: CENO Electronics Technology Co.,Ltd
*Subject:
*Message:
Characters Remaining: (0/3000)